로고

우성마그네트
로그인 회원가입
전자석탈철기시리즈
  • 전자석탈철기시리즈
  • 영전자탈철기습식타입
  • SINCE 1991 우성마그네트는 좋은마그네트입니다.

    전자석탈철기시리즈

    CONTACT US 055-326-8600

    평일 09시 - 18시
    토,일,공휴일 휴무

    영전자탈철기습식타입

    SINCE 1991 우성마그네트는 좋은마그네트입니다.

    영전자탈철기습식타입 Permanent Electromagnetic Separator WET TYPE

    페이지 정보

    profile_image
    작성자 관리자
    댓글 댓글 1건   조회Hit 607회   작성일Date 23-05-18 15:23

    본문

    액체 전용으로 개발된 영전자 탈철기 _ WMF-EP-W형

      Electromagnetic Separator developed only for liquid _WMF - EP-W Type 


    영전자 탈철기는 액체 원료에 포함된 미세한 자성 금속 불순물(철분, 분말)을 정제할 목적으로 설계되었다. 

    케이스 내부에는 영구자석과 전자석이 내장되어 있으며, 액체 원료에 포함된 금속 불순물은 영구자석의 자력에 의해 필터 장치에서 검출(흡착)되고, 검출된 금속 불순물은 전자석을 이용하여 영구자석의 자력을 소멸시켜 탈철(세척)시키는 원리이고, 탈철시에만 전기가 공급되는 영전자 방식으로 에너지 효율이 좋고, 코일 냉각을 위한 장치가 없으므로 관리 및 유지 비용이 절감되면서 고자력에 의한 금속 불순물을 검출하여 고순도의 제품을 얻을 수 있게 하였습니다.


    electromagnetic separator developed only for liquid is designed to refine fine magnetic metallic impurities (iron, powder) contained in liquid raw material. Permanent magnet and electromagnet are built inside the case. Impurities contained in liquid raw material are detected (adsorbed) in the filter through magnetism of permanent magnet and detected metallic impurities are separated (washed) by removing magnetism of permanent magnet using electromagnet. Since the electricity is supplied only when separating, so energy efficient is good, and there is no need for device for cooling coil, reducing management and maintenance costs. This allows obtaining product with high purity by detecting metallic impurities by high magnetic force. 

    cf2b4d6399d9874a596237d58bd36d61_1684390101_2957.JPG
     


    <용도> Use 

    액체 원료에 포함되어 있는 미세한  철 분말을 제거하는데 가장 효율적인 기종으로 
    화학업계는 물론 식품업계, 의약품, 플라스틱, 요업 등 광범위하게 사용되고 있습니다.

    As the most efficient model for removing fine iron powders contained in liquid raw materials, 
    it is being widely used in various industries including food, pharmaceuticals, plastic and 
    ceramic as well as chemicals.


    <특징>Feature 

    · 영전자 탈철기는 영구자석에 액체원료에 포함된 미세철분을 스크린에서 정밀 분리가 가능합니다.
    · 영구자석은 반 영구적으로 사용이 가능합니다.
    · 현장 여건에 맞게 다양한 규격의 제품 제작이 가능합니다.
    · 전용 제어반을 적용하여 양질을 원료를 생산할 수 있도록 자동 시스템을 구축하였습니다.
    · 영전자 탈철기에는 코일 냉각용 절연유 및 냉각시스템이 필요없습니다.
    · 영전자방식은 불순물 탈철시에만 전기가 투입되므로 에너지 절감이 획기적입니다.

    · Electromagnetic separator can precisely separate fine irons contained in liquid raw material 
      of permanent   magnet from the screen.
    · Permanent magnet can be used semi-permanently.
    · Products with various specifications can be manufactured according to the site circumstances. 
    · Automatic system is built so that high-quality raw materials can be produced by using dedicated 
      control panel.
    · There is no need for electromagnetic separator to have insulating oil or cooling system for cooling coils.
    · Electromagnetic method requires electricity only when separating impurities, dramatically reducing energy.

    <사양> Spec 

    cf2b4d6399d9874a596237d58bd36d61_1684390211_6627.JPG
     
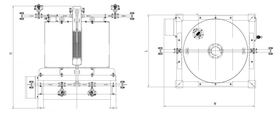
    <외형치수> dimensions 

    cf2b4d6399d9874a596237d58bd36d61_1684390487_7554.JPG
     
    cf2b4d6399d9874a596237d58bd36d61_1684390895_1207.JPG
     
    ※외형 치수는 변경될 수 있습니다. ※ Appearance dimensions are subject to change. 


    댓글목록

    profile_image

    Ivy님의 댓글

    Ivy 작성일 Date

    I am really impressed with your writing skills as well as with the layout on your weblog. Is this a paid theme or did you modify it yourself? Either way keep up the excellent quality writing, it is rare to see a great blog like this one these days. http://boyarka-inform.com/

    055)

    326 -
    8600

    회사소개

    산업용마그네트

    마그네트드라이브

    기술현황

    E-Catalog

    공지사항

    질문과답변

    갤러리

    상단으로